• 网站首页
  • 公司简介
    • 荣誉资质
    • 厂房图片
  • 新闻资讯
    • 行业新闻
    • 公司新闻
  • 产品展示
    • 金属化工泵系列
    • 非金属化工泵
    • 自吸泵系列
    • 机械密封
  • 专业生产各种化工离心泵,自吸泵,化工泵

  • 选型参考
  • 留言反馈
  • 联系我们
服务热线:13834680068
  • 金属化工泵系列

  • 非金属化工泵

  • 自吸泵系列

  • 机械密封

 
山西双乾机泵科技有限公司
联系人:马经理
手机:18035185088
电话:13834680068
公司地址:山西省太原市姚村万水物贸城5区62-64号
当前位置:首页 > 金属化工泵系列

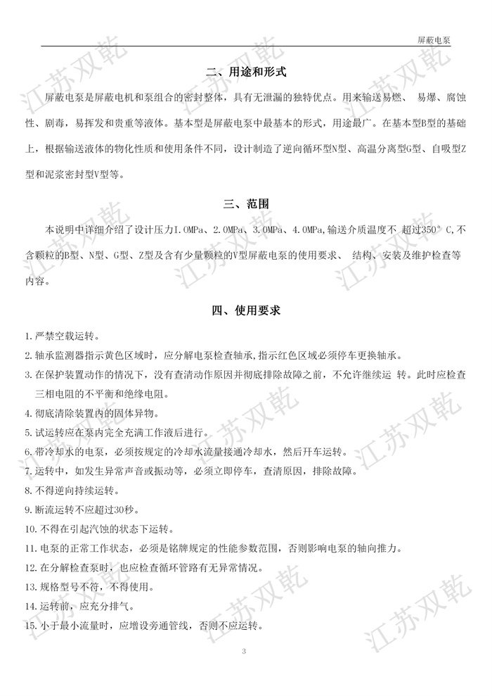
屏蔽电泵


来源: | 发布时间:2025-03-06


屏蔽电泵



上一篇:S、SH型双吸泵  下一篇:单级单吸立式管道离心泵
  • 网站首页
  • 公司简介
  • 新闻资讯
  • 产品展示
  • 选型参考
  • 留言反馈
  • 联系我们

联系人:马经理

联系电话:13834680068

18035185088

qq:715075031

公司地址:山西省太原市姚村万水物贸城5区62-64号

山西双乾机泵科技有限公司扫描二维码!